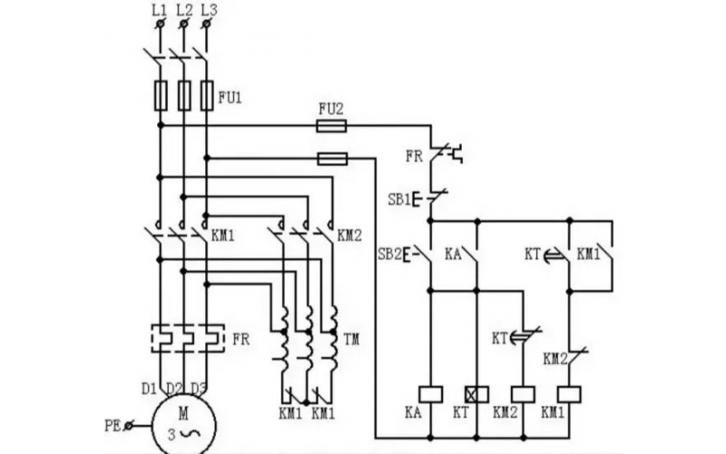
电机的重载和轻载保护值,你还在乱设吗?是有规矩的,看完就懂了
2023-08-11 科威
磁翻板液位计与磁致伸缩液位计的区别
2023-08-10 科威
流量计与管道连接的几种方式
差压流量计三阀组的开停顺序
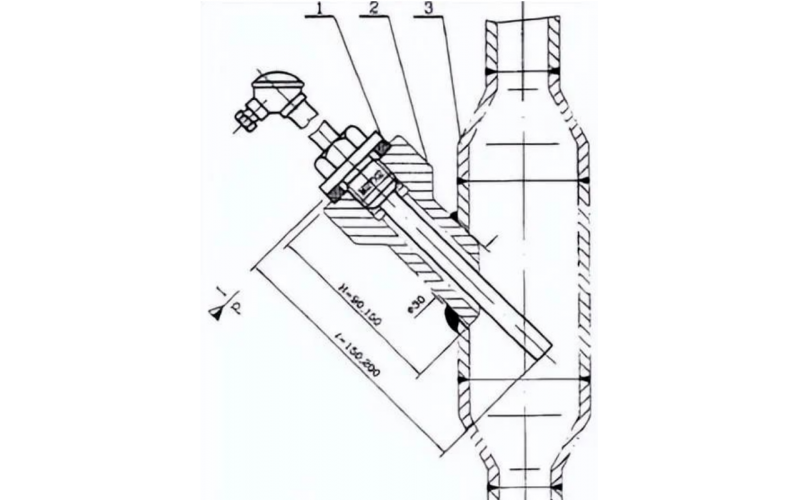
温度传感器温度计安装方式
2023-08-09 科威
温度传感器测温表安装方式
测温仪表安装知识分享
热电偶和热电阻的选择及工作现场故障判断
2023-08-08 科威