新闻动态
KWZK科威自控集团
华体会网页版登录入口,华体会(中国)华体会(中国)
关于我们
公司简介
在线反馈
联系我们
产品展示
全部
传感器/变送器
流量计系列
液位/料位系列
阀门/执行装置
液压/气动元件
检维修工器具
化验/分析仪器
其他机电仪产品
新闻动态
全部
行业知识
企业新闻
资料下载
客户案例
新闻动态
推荐
热门
最新
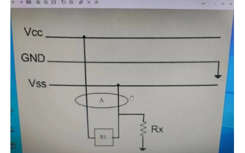
便携式直流接地故障点查找仪工作原理
便携式直流接地故障点查找仪工作原理
2023-09-28
科威
上一页
1
下一页
转至第
首页
产品
新闻
联系
华体会平台_华体会(中国)一站式服务平台
|
mk体育(China)官方网站
|
乐鱼体育APP官方下载入口(中国)_安卓版/苹果版免费下载
|
广发体育
|
华体会手机网页版登录入口
|
安博站官网登录入口_安博anbo(中国)
|
MK体育(中国)官方网站
|
xingkong体育官网在线登录
|
华体会APP手机登录
|