行业知识

#5机B循泵液控蝶阀关阀故障分析知识分享

2022-07-12 08:57:29 科威

#5机B循泵液控蝶阀关阀故障分析知识分享

图片关键词


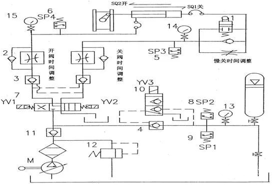
开阀时YV1开阀电磁阀带电同时油泵启动,油缸无杆腔进油,有杆腔排油,活塞向左运动,关阀时YV2关阀电磁阀和YV3系统补压电磁阀同时带电,油缸有杆腔进油,无杆腔排油,活塞向右运动。开到位延时3秒YV1电磁阀失电,关到位延时3秒YV2失电。


查当时相关曲线记录如下:

图片关键词


11:25:08  #5机B循泵出口液控蝶阀开始关闭,关阀油压和蓄能器压力同步开始上升(图中粉红色曲线为关阀压力,红色线为蓄能器压力),开阀压力直接降为0(图中蓝色线);关阀前蓄能器油压15.2MPa,开阀压力10.8MPa,关阀压力0.4MPa;


11:25:09  蓄能器压力14.4MPa,开阀压力9.4MPa,关阀压力5.9MPa;


11:26:12  关阀压力突降,开阀压力突升,此时间点为开阀操作64秒后,油缸活塞基本动作到位,我们分析油缸活塞密封不严,油缸内漏才会导致这种情况发生,活塞动作到位后,油缸一侧向另一侧漏油。此时由于关到位信号未到,电磁阀应该仍处于带电状态(PLC逻辑设计为到位后延时3秒电磁阀失电);


11:29:27  蓄能器压力稍降,关阀压力突升,开阀压力基本降为0,此应为手动强制动作电磁阀阀杆,有杆腔再次进油,无杆腔排油;


  下图为B循环泵出口液控蝶阀开阀油路泄压曲线,图中红色线仍为蓄能器压力,粉红色为关阀压力,蓝色为开阀压力,阀门在关位,此时泄压应该在开阀油路泄压,但开阀压力下降的同时,关阀压力也同步下降,这也更进一步验证了油缸存在内漏的推断。

图片关键词

根据以上分析,此次故障(此现象已持续了一个月以上),基本可以锁定为油缸内漏所致。当时在现场泄压的人,如果细致观察,开阀泄压的同时就地关阀压力表应该也会有所反应。有一点疑问的是:关阀分为两个阶段,刚开始为快关,关到15度时开始慢关,此时排油只能走节流孔(通过限制排油速度来控制关阀速度),如果节流孔很小的话,两侧压力变化是不是不应该这么同步,这个需要解决内漏问题后试验,看阀门开关时间和原来整定时间偏差大小,来进一步检查处理。


在处理这个问题的时候,刚开始我们怀疑电磁阀没有关到位就失电(失电过早),导致阀门动作停止,一般情况下,控制很难出现时好时坏,尤其是在特定的时间点故障,这种可能基本不会发生。实际情况是在连续三天三次试验后发现,每次刚开始动作都正常,基本快到位的时候我们怀疑动作不正常,如果控制有问题,肯定不会出现每次开始正常,后来故障的情况。



首页
产品
新闻
联系