行业知识

常用接近开关接线方式知识分享

2022-05-07 09:06:42 科威电气

常用WFG-JK系列接近开关接线方式知识分享

图片关键词

图片关键词

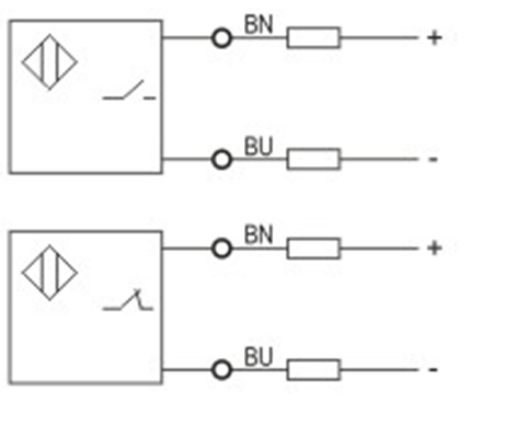
常用WFG-JK系列接近开关现场应用时,两线制及三线制较为常见

接线注意事项:

1、WFG-JK系列接近开关供电电压一般为10-30VDC,接线前进行确认。

2、三线制WFG-JK系列接近开关改为两线制,确认好零线并停用。

3、两线制改三线制,先测试将信号线与零线并接到信号线路,观察能否使用,若不能使用需增加与24V+是同一个电源的24V-才能使WFG-JK系列接近开关正常工作。

4、现场PLC接线为“共源型”,接线时注意24V+始终有电,防止接地短路。

5、频繁动作的WFG-JK系列接近开关(每分钟三次以上)寿命约18个月,高温区域12个月。

6、WFG-JK系列接近开关与挡铁距离,按说明书上的进行调整:

额定检测距离5mm:调整到与挡铁2-3mm

额定检测距离10mm:调整到与挡铁3-6mm

额定检测距离15mm:调整到与挡铁5-8mm

调整原则:额定检测距离减半:防止挡铁抖动。




首页
产品
新闻
联系